- Home
- About
- SysML/MBSE Training
- SysML Q&A
- Services
- Model-Based Systems Engineering with SysML
- SysML/MBSE Training & e-Learning
- SysML/MBSE Educational Consultancy web sessions
- Model-Based Software Engineering
- Python and REST web service APIs and OpenAPI
- Docker application deployment for VPS and Traefik
- Data modelling: XML, JSON, databases
- Wolfram Mathematica: Data analysis & visualisation
- Spreadsheet data extraction and migration
- Physics simulations, technical animations, 3D modelling
- Technical Media: Video, Audio, Graphics
- Drupal CMS web sites & PHP
- Keywords
- Contact
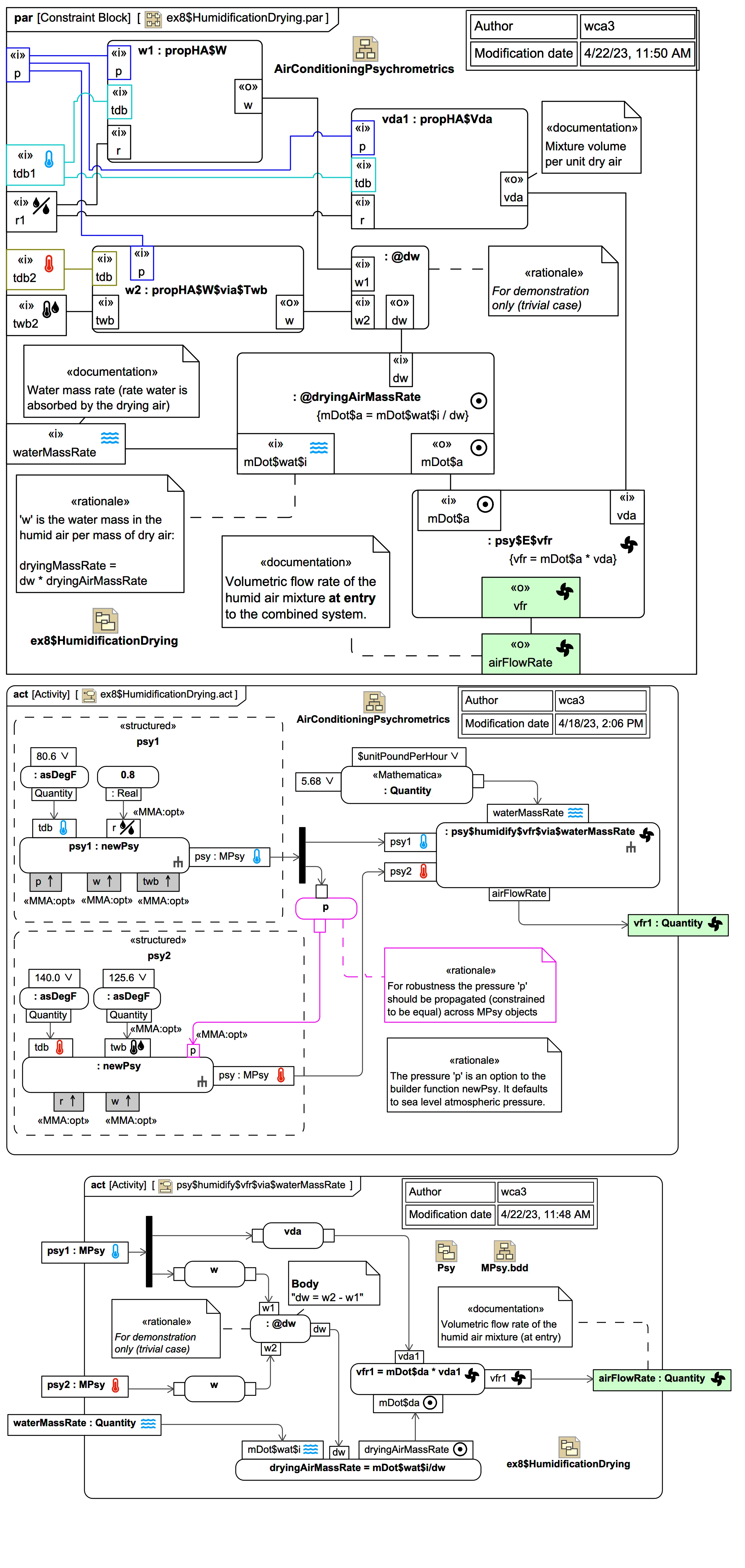
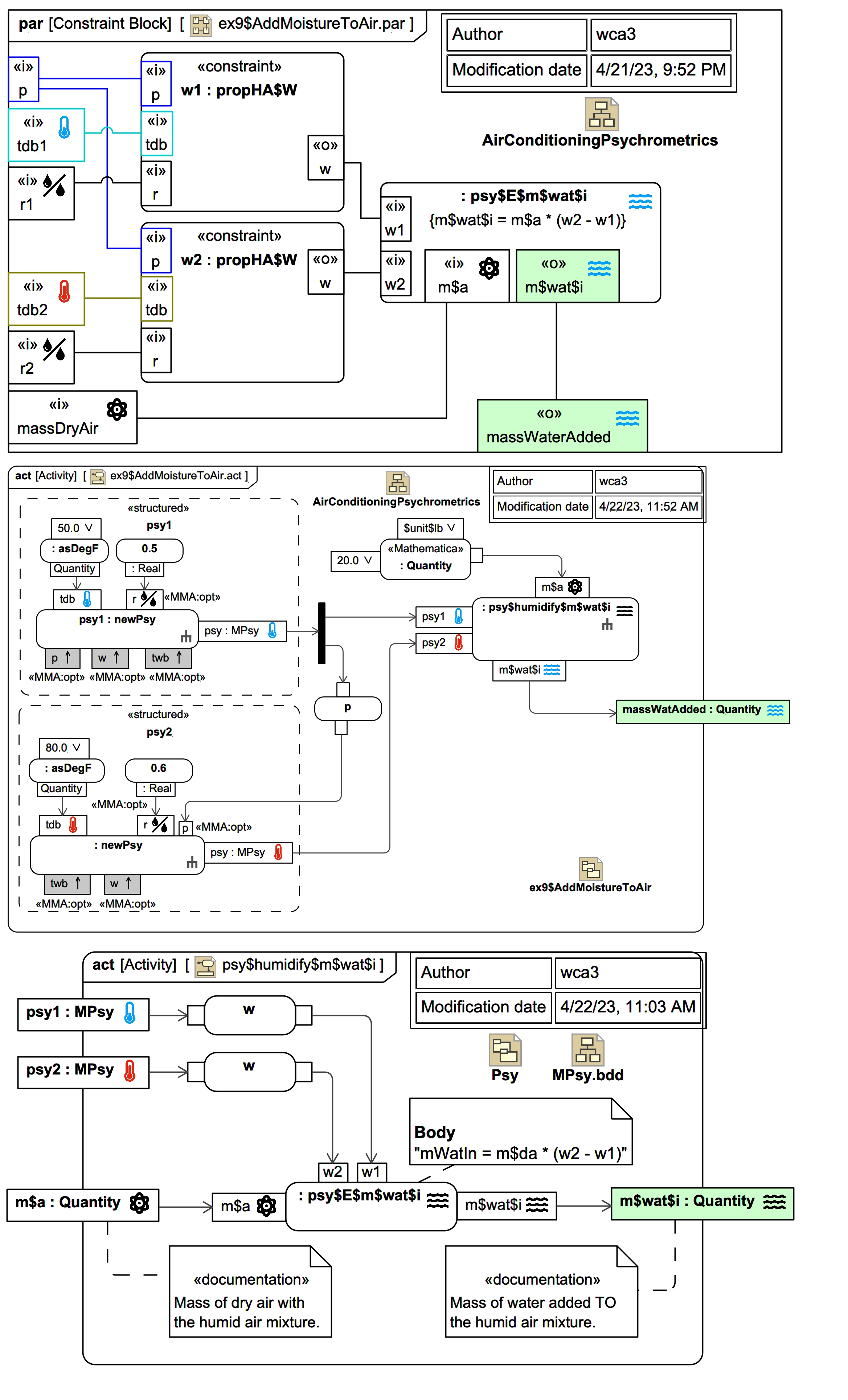
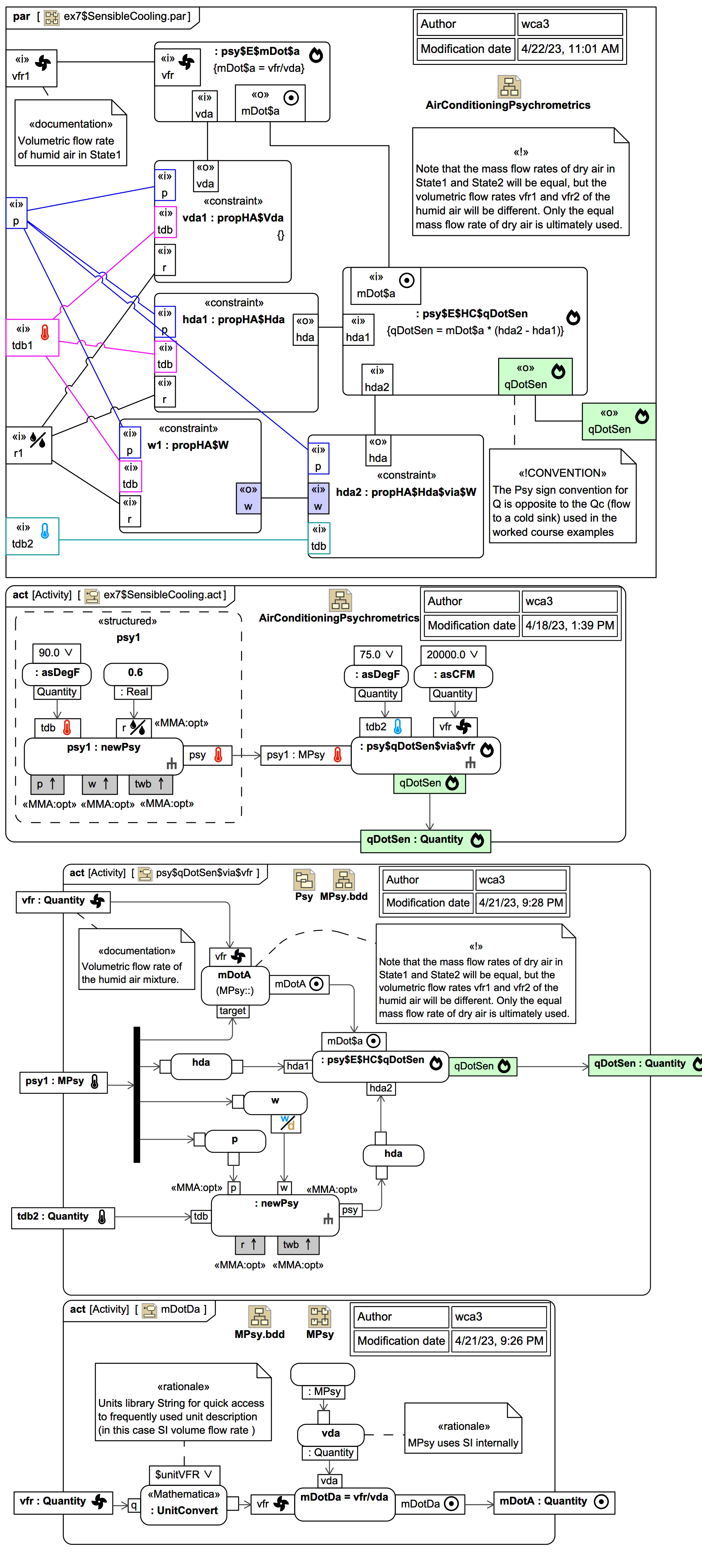
Psychrometrics
For some examples of Mathematica applied to Psychrometrics (humid air physics) visit:
For some examples of Psychrometrics modelled in Systems Modeling Language v1 (SysML®) visit:
Psychrometrics links (references and online calculators)
This page collects some useful External links (see section below) for Psychrometrics (humid air physics).
SysML4Mathematica: Example 06: Sensible heating: 'qSen' per mass (+ve): energy transfer TO humid air
HVAC&R Zone
This zone presents some reference information on Heating, Ventilation, Air-Conditioning, and Refrigeration (HVAC&R), including some worked examples in Mathematica and SysML models.
Refrigeration and Air-Conditioning reference links
This page collects External links (see section below) to some useful HVAC&R resources, especially for air-conditioning, and heat exchangers (evaporators, condensers).