Tags and keywords
Example problem from:
Example question:
Results (only) at:
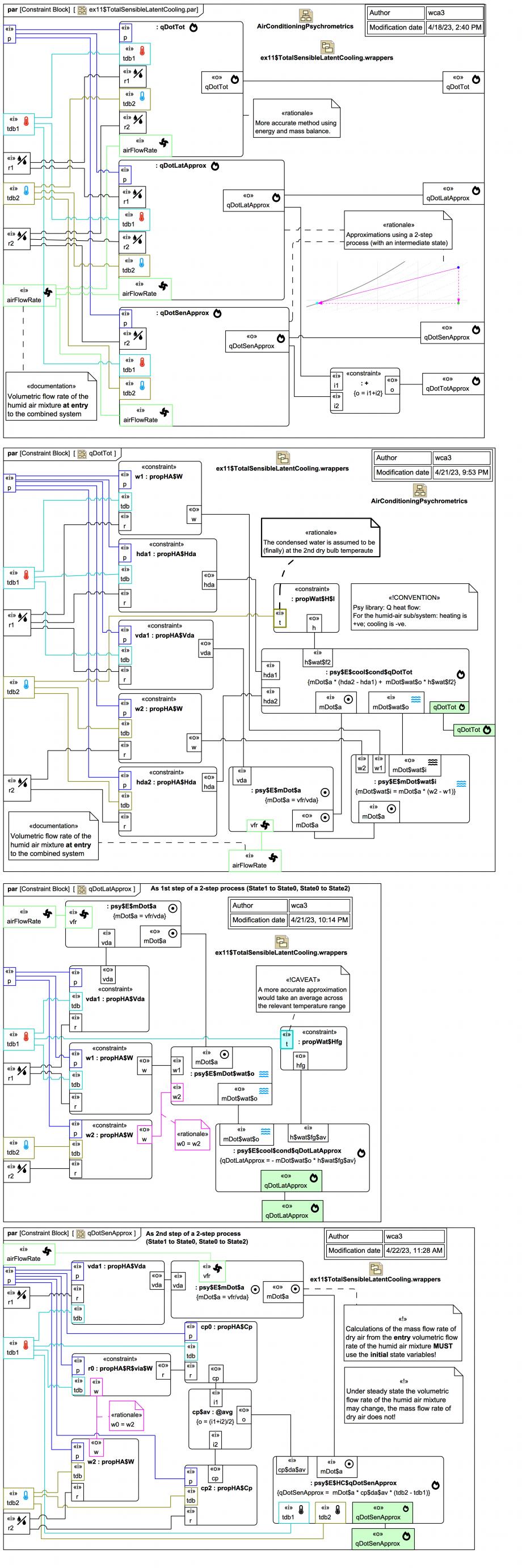
At the top we see a SysML Parametric Diagram representing an entry point to networks of equations for the psychrometric properties obtained from low-level CoolProp wrappers for Mathematica and the accurate calculation of the total heat exchange rate 'qDotTot', and approximate methods for calculation of the latent heat rate 'qDotLatApprox' due to water condensation and the sensible heat rate 'qDotSenApprox' for the cooling of a humid air mixture.
The other SysML Parametric Diagrams show the specific calculations, and their usages of functions from the Webel Psy
library for Mathematica.
Note that:
In the next slide we see the same calculations modelled via Webel MPsy
objects using SysML Activity Diagrams.
Notes
[CONVENTION, NAMING, PATTERN, STYLE, TIP]{RECOMMENDED} Mathematica: The Webel Units` package has Quantity variables for frequently used units using a naming convention 'unit$[Symbol]' or 'unit[DescriptiveName]' or unit[Acronym], each with a corresponding '$unit...' for the units identifier String(s).
[CONVENTION, MODELLING, NAMING]{RECOMMENDED} Webel: SysML4Mathematica: When modelling the main logic flow of Mathematica code with Activity Diagrams it isn't necessary to model every Mathematica construct. Placeholder Actions, OpaqueActions , and OpaqueBehaviors (as CallBehaviorActions) may be used.
[CONVENTION, LIMITATION, MODELLING, NAMING, TOOL]{RECOMMENDED} Webel: Psy/MPsy: Psychrometrics for Mathematica: '$HC' in a function name indicates pure sensible heating or cooling (with no change in water vapour content). Such functions may also be used in the pure sensible portion of a 2-step treatment.