Tags and keywords
Example problem from:
Example question:
Results (only) at:
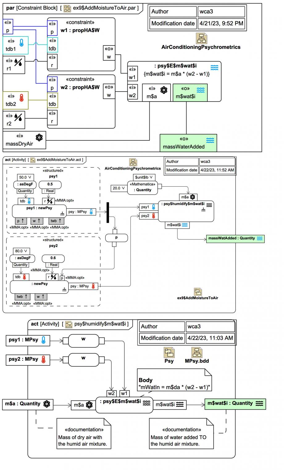
At the top we see a SysML Parametric Diagram representing a network of equations for the psychrometric properties obtained from low-level CoolProp wrappers for Mathematica, and some ConstraintBlock usages for calculating the mass of water added to a humid air mixture during humidification.
In the middle and bottom Activity Diagrams we see how the problem can be setup instead using Webel MPsy
objects, which encapsulate the lower level CoolProp calls. Together, they represent this Mathematica invocation:
ex9$psy1 = newPsy[asDegF[50], $opt$psy$r -> 0.5];
ex9$psy2 = newPsy[asDegF[80], $opt$psy$r -> 0.6];
psy$humidification$massWatAdded[
ex9$psy1,
ex9$psy2,
20 unit$lb,
$opt$psy$doShowAsIP -> True
]
0.18816009298134295 lb
Here unit$lb
is a pre-built Mathematica Quantity[1.0, "Pounds"]
:
And the units utility function asDegF[magF_Real]
similarly creates a Quantity for °F.
Notes
[CONVENTION, NAMING, PATTERN, STYLE, TIP]{RECOMMENDED} Mathematica: The Webel Units` package has Quantity variables for frequently used units using a naming convention 'unit$[Symbol]' or 'unit[DescriptiveName]' or unit[Acronym], each with a corresponding '$unit...' for the units identifier String(s).