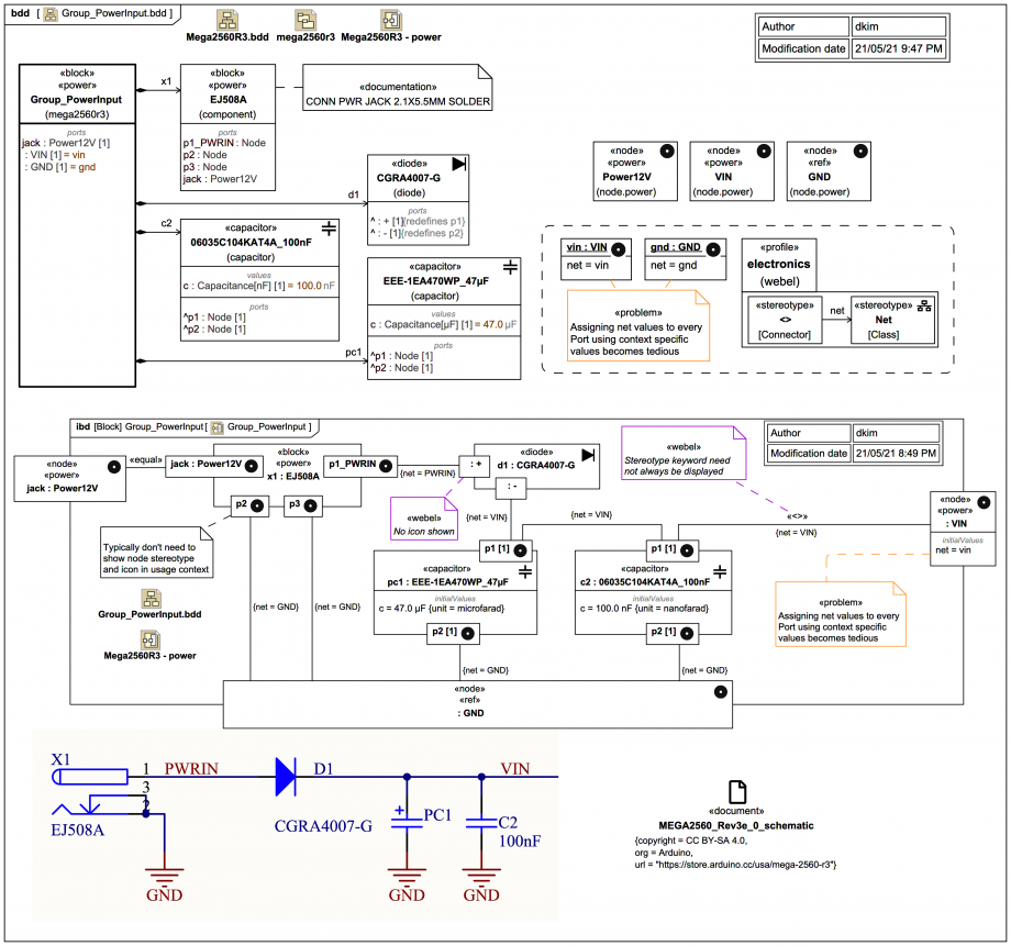
Focus BDD: Group_PowerInput

Gallery
Tutorial
Demonstrates the basic Webel pattern for combining the Block Definition Diagram (BDD), the embedded Internal Block Diagram (IBD), and an electrical schematic image in a single "focus" BDD.
Click on the image to view it full size

For the sake of this trail, the ports compartments are shown not only on the focus block Group_PowerInput, but also on the "secondary" blocks it depends on.

Up next
Notes
Snippets (quotes/extracts)
Related slides (includes other tutorials)
Related slides (backlinks, includes other tutorials)
Visit also
Visit also (backlinks)