Tags and keywords
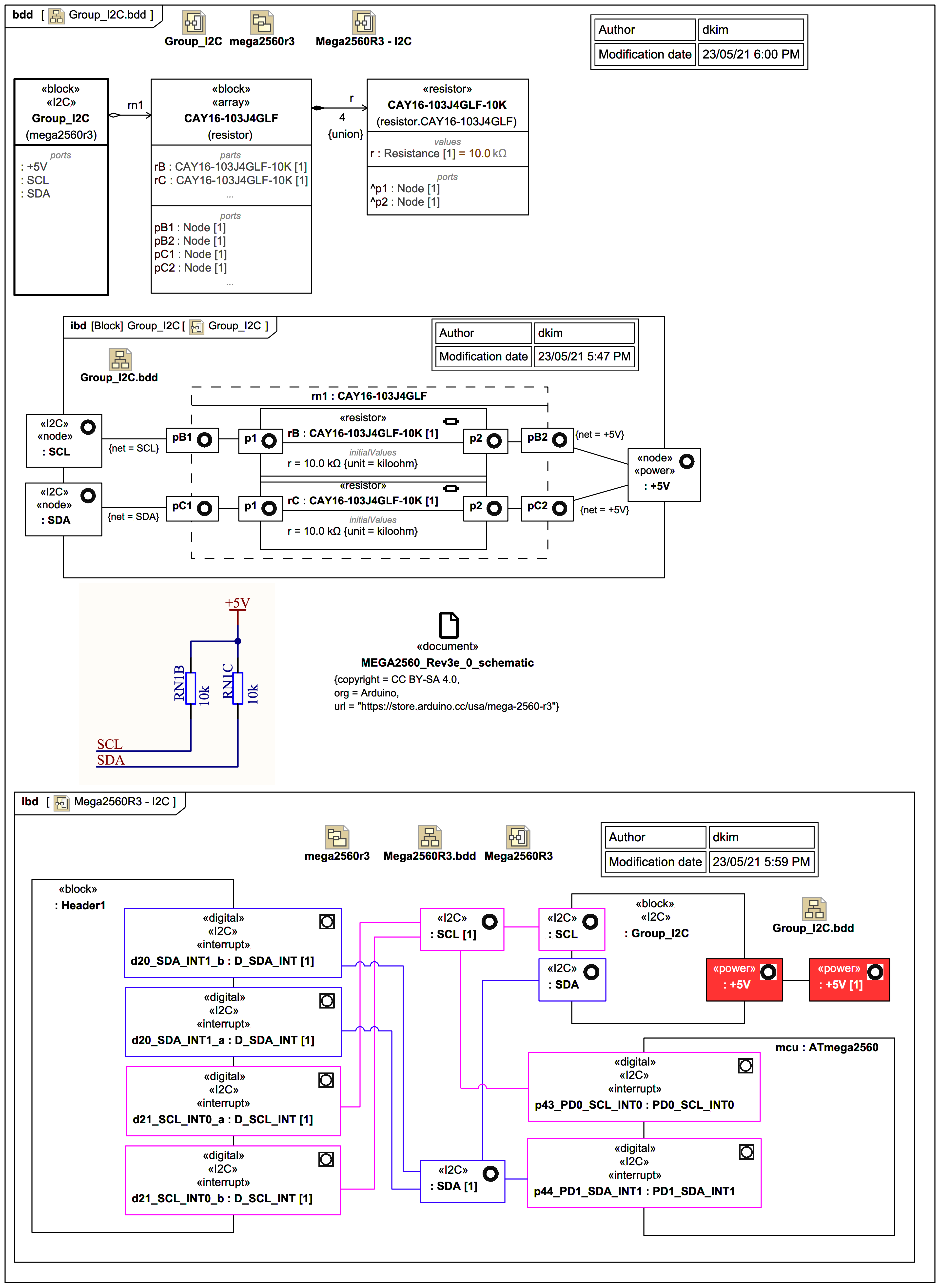
Another example of using a shared resistor array:
Includes an additional Internal Block Diagram (IBD) to provide some context within the parent board. Note how the
:Header
has 2 connected pin sets for SDA/SCL (the 2nd pair is just past the AREF pin and is not clearly marked on all boards variants).
— END OF SECTION —
That's the main Webel micro-controller electronics modelling recipe for SysML (at least sufficient to represent the wiring of an Arduino board). In the following sections, we'll work though some far more complex cases, starting next with the power input and conditioning.